هاتف/واتساب/ويشات:0086-15922636221
أنت هنا: بيت » منتجات » معدات حماية البيئة البحرية » المحرقة البحرية » IMO MEPC244 (66) محرقة بحرية على متن السفينة

فئة المنتج

loading

حصة ل:
facebook sharing button
twitter sharing button
line sharing button
wechat sharing button
linkedin sharing button
pinterest sharing button
sharethis sharing button

IMO MEPC244 (66) محرقة بحرية على متن السفينة

تم تصميم المحارق البحرية للتخلص من نفايات الزيت الصلبة أو الحمأة الناتجة على لوح السفن. ويلبي قرار IMO MEPC 244 (66) 'المواصفات القياسية لمحارق السفن ' و Marpol73/78 الملحق ⅵ , , stypulation16.
توافر الحالة:
الكمية:
محرقة بحرية لإدارة القمامة
تم تصميم المحارق البحرية للتخلص من نفايات الزيت الصلبة أو الحمأة الناتجة على لوح السفن.

ويلبي قرار IMO MEPC 244 (66) 'المواصفات القياسية لمحارق السفن ' و Marpol73/78 الملحق ⅵ , , stypulation16.


يتم التحكم في عملية الحرق بواسطة PLC ، التي يتم رصدها بواسطة HMI (واجهة آلة الإنسان) وتم مسحها ضوئيًا بواسطة كاشف اللهب. يتم أيضًا تنظيم درجات حرارة غرفة الاحتراق تلقائيًا بواسطة نظام التحكم في PLC
المحرقة 23

البحرية

المحرقة 144.3

محرقة


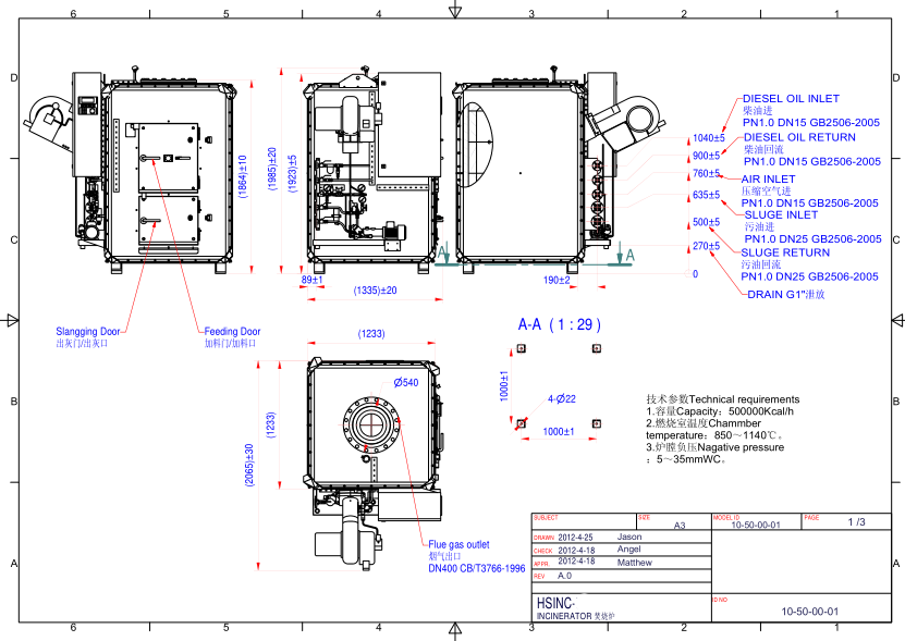
الأجزاء الرئيسية من المحارق البحرية

أ. غرفة الاحتراق مع موقد زيت الديزل ، موقد الحمأة ، ولوحة التحكم الكهربائية.
ب. مروحة غاز المداخن  
ج. مثبط غاز المداخن.
د. خزان الحمأة مع مضخة متداولة والسخان.


مواصفات المحارق البحرية

النماذج
HSINC-18
HSINC-50
HSINC-50A
HSINC-80
سعة
180،000 كيلو كالوري/ساعة
500000 كيلو كالوري/ساعة
500000 كيلو كالوري/ساعة
800،000 كيلو كالوري/ساعة

درجة حرارة غرفة الاحتراق
الأعلى. 1180 درجة مئوية
العمل 850-1150 درجة مئوية

درجة حرارة غاز المداخن
الأعلى. 375 درجة مئوية
العمل 250-340 درجة مئوية

درجة حرارة السطح
أقل من درجة الحرارة المحيطة +20 درجة مئوية ،
وأقل من 60 ℃

 

QQ 图片 20 16051910060 7
على: 
تحت: 
الاستفسار عن المنتج

ملاحة

قائمة المنتجات

ملاحة

اتصل بنا

هاتف: +86-023-62984891
فاكس: +86-023-62613622
واتساب/موب:+86-15922636221
بريد إلكتروني: master@hy-industry.com
سكايب: com.hangyumarine
حقوق النشر © 2020 شركة جمع المعدات البحرية Leadong. Co., Ltd